TEMPOFIX 3 frame system for urinals

Ref. 543000D-430010
Mains supply electronic valve - For urinals with flexible ½"
  • TEMPOFIX 3 frame system for urinals
  • TEMPOFIX 3 frame system for urinals
  • TEMPOFIX 3 frame system for urinals
TEMPOFIX 3 frame system for urinals

DESCRIERE

TEMPOFIX 3 frame system for urinals

Ref. 543000D-430010

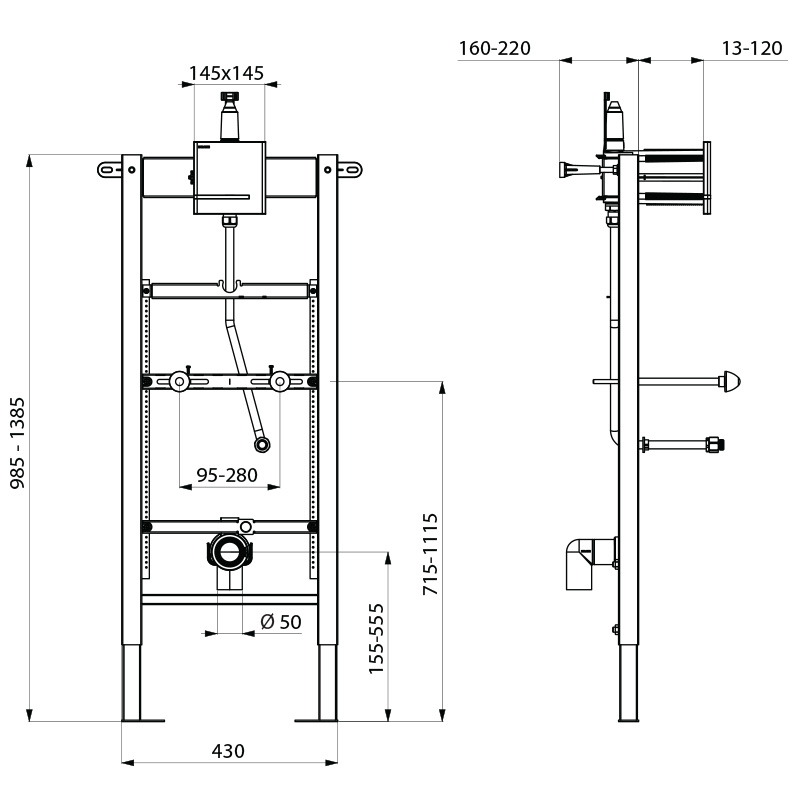
Frame system with electronic urinal valve:

Black powder-coated steel frame for wall-mounted installation.

Fixes to floor and load-bearing walls with anchoring bolts supplied.

Adjustable bracket 95 - 280mm.

Frame height can be adjusted from 0 - 200mm.

Ø 50mm soil pipe with waterproof seal.

Delivered pre-mounted.

Compatible with wall finishes 13 - 120mm.

10-year warranty.

Fitted with TEMPOMATIC 4 F½" direct flush electronic valve:

230/6V mains supply (cable and transformer are supplied).

Bright stainless steel plate 145 x 145mm with integrated electronics.

Shock-resistant infrared presence detection sensor.

Waterproof recessing housing.

Detection delay is 10 seconds.

3 programmes (rinsing volume can be adjusted according to urinal type).

High frequency mode (exclusive to DELABIE).

Hygienic duty flush every 24 hours (can be adjusted to 12 hours or OFF) after last use: prevents vacuums.

Flow rate pre-set at 0.15 L/sec at 3 bar, can be adjusted.

Connection with ½" brass connection (for urinal valves with flexible supply).

Technical features: see TEMPOMATIC urinal ref. 430SBOX-430016.

Kit contents:

(543000D): frame system, tube with brass union ½" for flexible supply, soil pipe sleeve Ø 50mm, recessed housing with cover, valve configured for system flush, connection accessories.

(430010): control plate, transformer, collar for waterproofing, solenoid valve, filter and stopcock.

ADVANTAGES

Total hygiene: no manual contact

3 rinsing programmes and high frequency mode

Easy and quick to install: supplied pre-mounted

Hygienic duty flush

Caracteristici Tehnice

TEMPOFIX 3 frame system for urinals

Ref. 543000D-430010
Technology Electronic
Conector 1/2"
Finisaj Bright stainless steel
Supply 230/6V mains supply
Width 430 mm
Depth 160 - 220 mm
Inaltime 985 - 1385 mm
TEMPOFIX 3 frame system for urinals - scheme

DOWNLOADS

TEMPOFIX 3 frame system for urinals

Ref. 543000D-430010 To download one or several documents linked to this product, please select the type of file you require :