TEMPOFIX 3 frame system for urinals

Ref. 543006D-430026
Battery-operated electronic valve - For urinals with flexible ½"
  • TEMPOFIX 3 frame system for urinals
  • TEMPOFIX 3 frame system for urinals
  • TEMPOFIX 3 frame system for urinals
TEMPOFIX 3 frame system for urinals

DESCRIERE

TEMPOFIX 3 frame system for urinals

Ref. 543006D-430026

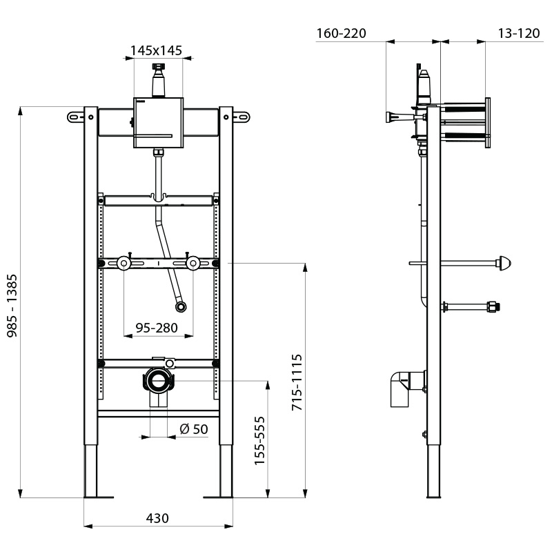
Frame system W. 430mm for urinals:

Black powder-coated steel frame for wall-mounted installation.

Fixes to floor and load-bearing walls with anchoring bolts supplied.

Adjustable bracket 95 - 280mm.

Frame height can be adjusted from 0 - 200mm.

Ø 50mm soil pipe with waterproof seal.

Delivered pre-mounted.

Compatible with wall finishes 13 - 120mm.

10-year warranty.

Fitted with TEMPOMATIC 4 F½" direct flush electronic valve:

Operated by 123 6V Lithium batteries.

White powder-coated stainless steel plate 145 x 145mm with integrated electronics.

Shock-resistant infrared presence detection sensor.

Waterproof recessing housing.

Detection delay is 10 seconds.

3 programmes (rinsing volume can be adjusted according to urinal type).

High frequency mode (exclusive to DELABIE).

Flow rate pre-set at 0.15 L/sec at 3 bar, can be adjusted.

Hygienic duty flush every 12 or 24 hours (or OFF) after last use: prevents vacuums.

Connection with ½" brass connection (for urinal valves with flexible supply).

Technical features: see TEMPOMATIC urinal ref. 430PBOX-430006.

Kit contents:

(543006D): frame system, tube with brass union ½" for flexible supply, sleeve for soil pipe Ø 50mm, recessed housing with cover, valve configured for system flush, connection accessories.

(430026): control plate, 6V lithium batteries, collar for waterproofing, valve, solenoid valve, filter and stopckcock.

ADVANTAGES

Total hygiene: no manual contact

3 rinsing programmes and high frequency mode

Easy and quick to install: supplied pre-mounted

Hygienic duty flush

Caracteristici Tehnice

TEMPOFIX 3 frame system for urinals

Ref. 543006D-430026
Technology Electronic
Conector 1/2"
Finisaj White epoxy
Supply 6V batteries
Width 430 mm
Depth 160 - 220 mm
Inaltime 985 - 1385 mm
TEMPOFIX 3 frame system for urinals - scheme

DOWNLOADS

TEMPOFIX 3 frame system for urinals

Ref. 543006D-430026 To download one or several documents linked to this product, please select the type of file you require :