TEMPOFIX 3 frame system for urinals

Ref. 543006D-430016
Battery-operated electronic valve - For urinals with flexible ½"
  • TEMPOFIX 3 frame system for urinals
  • TEMPOFIX 3 frame system for urinals
  • TEMPOFIX 3 frame system for urinals
TEMPOFIX 3 frame system for urinals

DESCRIERE

TEMPOFIX 3 frame system for urinals

Ref. 543006D-430016

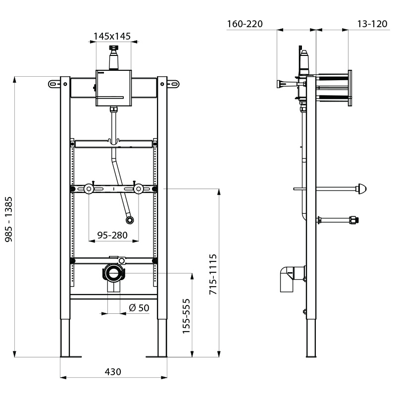
Frame system with electronic urinal valve:

Black powder-coated steel frame for wall-mounted installation.

Fixes to floor and load-bearing walls, anchoring bolts supplied.

Adjustable bracket from 95 - 280mm.

Frame height can be adjusted from 0 - 200mm.

Ø 50mm soil pipe with waterproof seal.

Delivered pre-mounted.

Compatible with solid wall finishes 10 - 120mm.

10-year warranty.

Fitted with TEMPOMATIC 4 F½" electronic valve:

Battery-operated with 123 6V Lithium battery.

Stainless steel wall plate 145 x 145mm with integrated electronics.

Shock-resistant infrared presence detection sensor.

Waterproof recessing housing.

Detection delay is 10 seconds.

3 programmes (rinsing volume can be set according to urinal type).

High frequency mode (exclusive to DELABIE).

Hygienic duty flush every 24 hours (can be adjusted to 12 hours or Off) after last use: prevents vacuums.

Flow rate pre-set at 0.15 L/sec at 3 bar, can be adjusted.

Connection with ½" brass connection (for urinals supplied by flexibles).

Technical features: see TEMPOMATIC 4 urinal ref. 430PBOX-430016.

Kit contents:

(543006D): frame system, tube with brass union ½" for flexible supply, 1 sleeve for soil pipe Ø 50mm, recessed housing with cover, valve configured for system flush, connection accessories.

(430016): control plate, 6V lithium batteries, collar for waterproofing, valve, solenoid valve, filter and stopcock.

ADVANTAGES

Total hygiene: no manual contact

3 rinsing programmes and high frequency mode

Easy and quick to install: supplied pre-mounted

Hygienic duty flush

Caracteristici Tehnice

TEMPOFIX 3 frame system for urinals

Ref. 543006D-430016
Technology Electronic
Conector 1/2"
Finisaj Bright stainless steel
Supply 6V batteries
Width 430 mm
Depth 160 - 220 mm
Inaltime 985 - 1385 mm
TEMPOFIX 3 frame system for urinals - scheme

DOWNLOADS

TEMPOFIX 3 frame system for urinals

Ref. 543006D-430016 To download one or several documents linked to this product, please select the type of file you require :